

行业应用
水泥领域
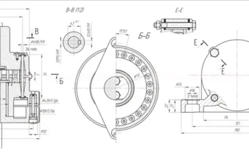
必发电子游戏官网挪威主权基金深度解析:如何正确地专业安装轴承以确保设备持久运转轴承作为机械设备中至关重要的部件之一,其安装质量直接影响着设备的性能和使用寿命
必发集团官网度小满理财深度解读:轴承抗压能力强的关键因素有哪些?在机械领域中,轴承是承载旋转零件的重要部件,其抗压能力对于机械设备的可靠性和稳定性起着关键作用
必发官方入口登录百度手机助手:掌握轴承换油技巧:详细教程分享,助您轻松完成轴承保养!在工业设备和机械中,轴承是非常重要的部件之一,它起着支撑和减少摩擦的作用,因此轴承保养对于设备的长期运转和性能至关重...
必发集团网站首页百度数据开放平台《探索NetC品牌轴承:打造卓越性能与可靠品质的首选之选》在工业领域中,轴承是一种至关重要的零部件,它承受着机器运转过程中的轴向负载和径向负载,为机械设备的正常运转提供...
必发集团app下载安装中文在线标题:xfte轴承品牌:精准选择,保障质量,打造行业领先品牌在现今市场竞争激烈的环境下,选择一家可靠的轴承品牌对于企业来说至关重要
bifa必发唯一官网主页华扬联众标题:深度解析安庆ZWZ轴承:品牌背景、产品特点及应用领域全面解读在当今工业领域,ZWZ轴承作为一家知名的轴承品牌备受关注
7790必发官网登录小米**:210轴承合:全面解析和应用指南**在工业领域,轴承是一种十分重要的机械元件,其中210轴承更是备受关注的对象之一
必发集团app官网下载入口网易探索来宾密封轴承的性能与应用领域在工业与机械领域中,密封轴承起着至关重要的作用
必发官方入口登录梯哥哥科技标题:揭秘高端轴承基地:探寻百度SEO的新纪元随着互联网时代的发展,网站优化已经成为企业拓展市场、提升品牌知名度的重要手段
必发7790电子集团线上平台小红书当心!福建车祸轴承背后的安全隐患揭秘近日,福建一起严重的车祸事件引起了人们的广泛关注,而事故调查显示,轴承故障是导致这起车祸的主要原因之一